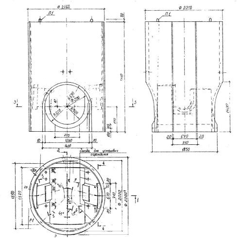
КЛ 20 рабочие камеры канализационных колодцев

Чертеж изделия:
Характеристики изделия:
ПараметрЗначение
длина2200 мм
ширина2200 мм
высота3110 мм
масса8180 кг
нормативный документАльбом РК 2201-82

КЛ 20  Рабочие камеры канализационных колодцев Альбом РК 2201-82.