КСР-УГ-ПС 19

Чертеж изделия:
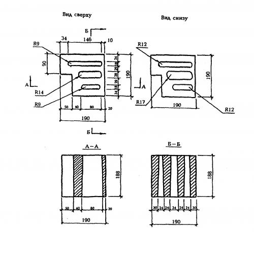
Характеристики изделия:
ПараметрЗначение
длина190 мм
ширина190 мм
высота188 мм
масса10 кг
нормативный документГОСТ 6133-99

ГОСТ 6133-99

Камни для кладки стен КСР-УГ-ПС 19. Унифицированные изделия, имеющие прямоугольную форму с рядом конструктивных особенностей в виде выступов, углублений и отверстий.

В современном строительстве камни для кладки стен используются очень часто. Их основная сфера применения –строительство стен и перегородок в зданиях и сооружениях различного назначения. Они могут служить в качестве декоративных элементов при обустройстве малых архитектурных форм, быть главным материалом несущих стен в разнообразных сооружениях, применяться при строительстве ограждающих сооружений и множестве других построек. 

Для удобства ориентации в номенклатурном ряду были разработаны специальные маркировочные обозначения, состоящие из цифр и букв. Совокупность символов КСР-УГ-ПС 19 имеет следующее значение:

1. КСР – тип конструкции: камень для кладки стен рядовой;

2. УГ вид изделия по типу использования: угловой;

3. ПС  пустотелый;

4. 19  длина изделия.