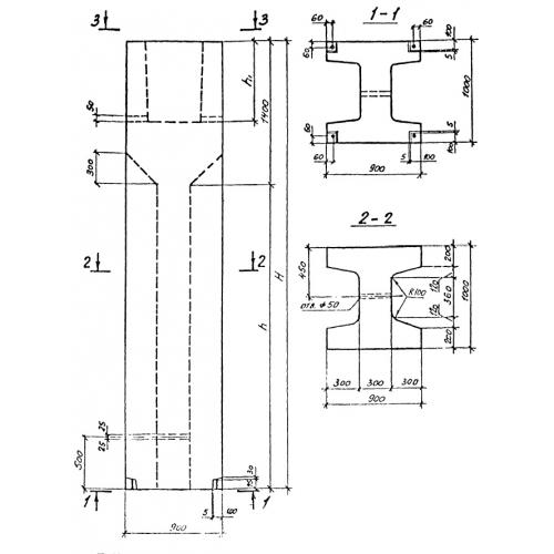
ВБ 9.10.48

Чертеж изделия:
Характеристики изделия:
ПараметрЗначение
длина900 мм
ширина1000 мм
высота4790 мм
вес8170 кг
серия0-221-84

ВБ 9.10.48 Блоки-стаканы верхние по серии 0-221-84.