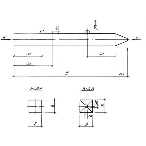
СН 13-40
Характеристики изделия:
| Параметр | Значение |
|---|---|
| длина | 13000 мм |
| ширина | 400 мм |
| высота | 400 мм |
| масса | 5250 кг |
| нормативный документ | Серия 1.011-6 |
Цена:
Рассчитать стоимостьСН 13-40 Сваи цельные сплошного квадратного сечения с напрягаемой арматурой (Серия 1.011-6).
