Д 56

Чертеж изделия:
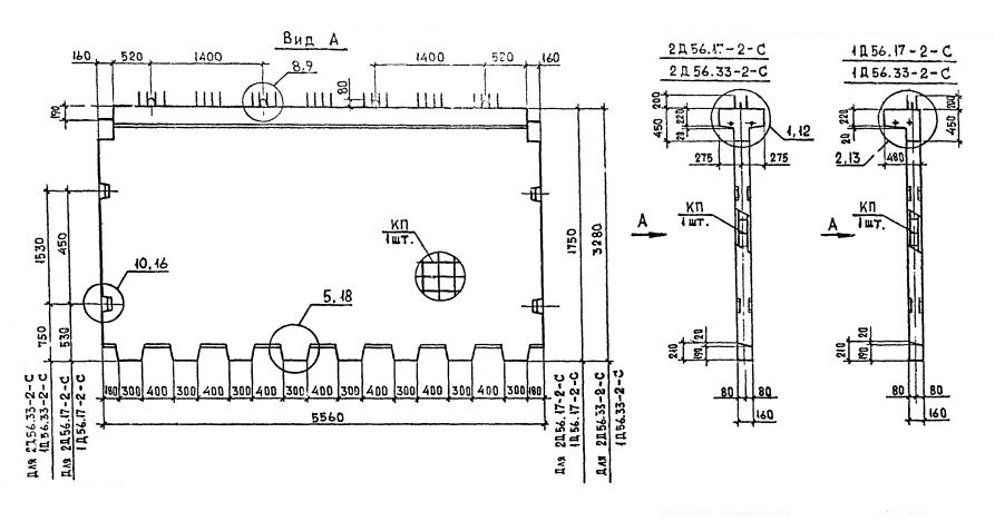
Характеристики изделия:
ПараметрЗначение
длина5560 мм
ширина550 мм
высота3280 мм
масса4800 кг
нормативный документСерия 1.020.1-2с/89

Д 56  Диафрагмы жесткости Серия 1.020.1-2с/89.