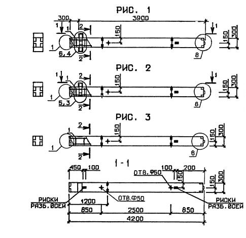
1К 3.42

Чертеж изделия:
Характеристики изделия:
ПараметрЗначение
длина4200 мм
ширина300 мм
высота300 мм
масса960 кг
нормативный документСерия 1.020.1-3пв

1К 3.42  Колонны Серия 1.020.1-3пв.