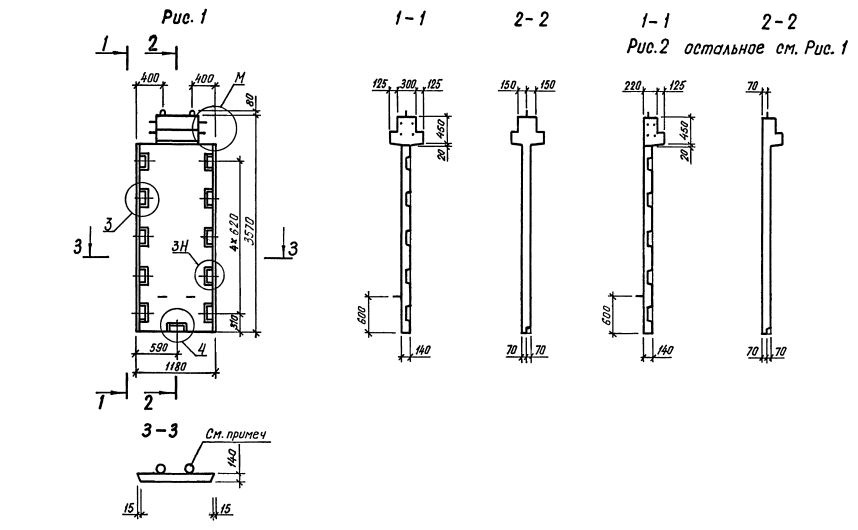
2Д 12.36

Чертеж изделия:
Характеристики изделия:
ПараметрЗначение
длина1180 мм
ширина550 мм
высота3570 мм
масса1590 кг
нормативный документСерия 1.020.1-3пв

2Д 12.36  Диафрагмы жесткости с двумя полками Серия 1.020.1-3пв.