2Д 29.33

Чертеж изделия:
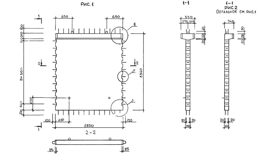
Характеристики изделия:
ПараметрЗначение
длина3090 мм
ширина550 мм
высота3740 мм
масса4090 кг
нормативный документСерия 1.020.1-3пв

2Д 29.33  Диафрагмы жесткости с двумя полками Серия 1.020.1-3пв.