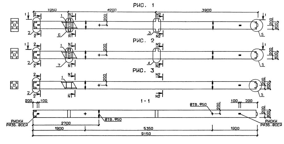
2КНД 4.42

Чертеж изделия:
Характеристики изделия:
ПараметрЗначение
длина9150 мм
ширина400 мм
высота700 мм
масса4570 кг
нормативный документСерия 1.020.1-3пв

2КНД 4.42  Колонны нижние двухконсольные Серия 1.020.1-3пв.