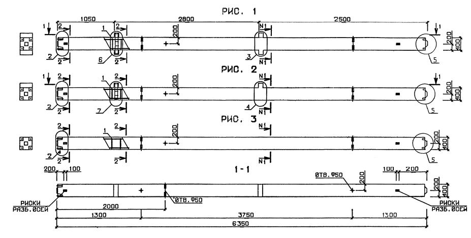
2КНО 4.28
Характеристики изделия:
| Параметр | Значение |
|---|---|
| длина | 6350 мм |
| ширина | 400 мм |
| высота | 550 мм |
| масса | 2870 кг |
| нормативный документ | Серия 1.020.1-3пв |
Цена:
Рассчитать стоимость2КНО 4.28 Колонны нижние одноконсольные Серия 1.020.1-3пв.
| Параметр | Значение |
|---|---|
| длина | 6350 мм |
| ширина | 400 мм |
| высота | 550 мм |
| масса | 2870 кг |
| нормативный документ | Серия 1.020.1-3пв |
2КНО 4.28 Колонны нижние одноконсольные Серия 1.020.1-3пв.