3КД 3.28(33)

Чертеж изделия:
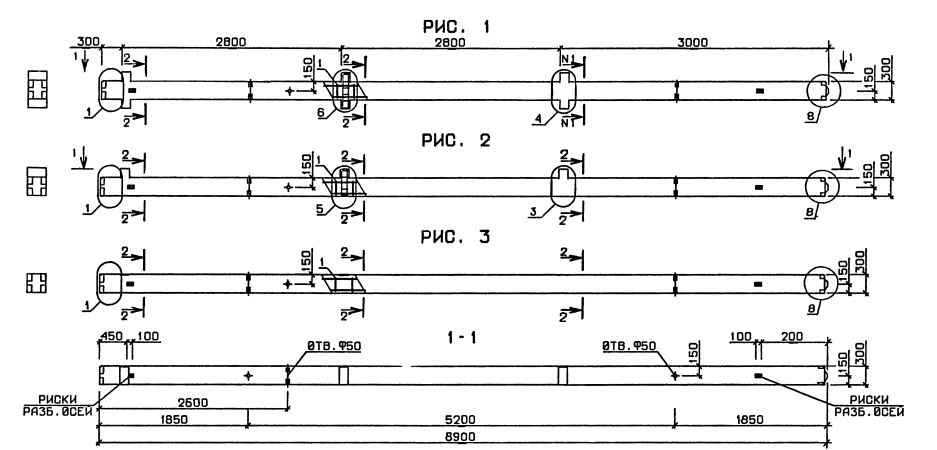
Характеристики изделия:
ПараметрЗначение
длина8900 мм
ширина300 мм
высота600 мм
масса2210 кг
нормативный документСерия 1.020.1-3пв

3КД 3.28(33)  Колонны двухконсольные Серия 1.020.1-3пв.