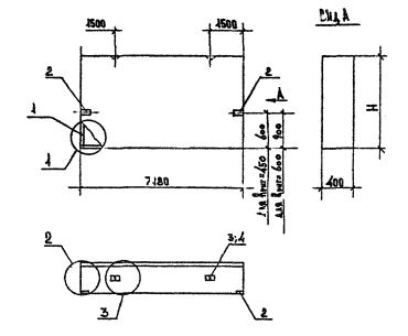
ПС 72.21.4.0 панели стеновые

Чертеж изделия:
Характеристики изделия:
ПараметрЗначение
длина7180 мм
ширина400 мм
высота2085 мм
масса8450 кг
нормативный документСерия 1.030.1-1/88

ПС 72.21.4.0  Панели стеновые для  стен многоэтажных зданий в районах сейсмичностью 7, 8 и 9 баллов Серия 1.030.1-1/88.