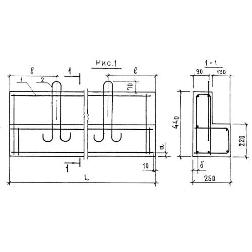
2ПГ 42 перемычки балочные

Чертеж изделия:
Характеристики изделия:
ПараметрЗначение
длина4150 мм
ширина250 мм
высота440 мм
масса845 кг
нормативный документСерия 1.038.1-1

2ПГ 42  Перемычки балочные Серия 1.038.1-1.