9ПБ 21 перемычки брусковые

Чертеж изделия:
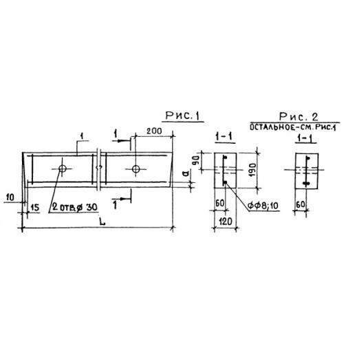
Характеристики изделия:
ПараметрЗначение
длина2070 мм
ширина120 мм
высота190 мм
масса118 кг
нормативный документСерия 1.038.1-1

9ПБ 21  Перемычки брусковые Серия 1.038.1-1.