ПРС 26.15
Характеристики изделия:
| Параметр | Значение |
|---|---|
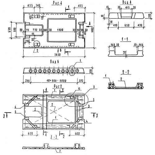
| длина | 2650 мм |
| ширина | 1490 мм |
| высота | 220 мм |
| масса | 1150 кг |
| нормативный документ | Серия 1.041.1-2 |
Цена:
Рассчитать стоимостьПРС 26.15 Плиты ребристые сантехнические Серия 1.041.1-2.
| Параметр | Значение |
|---|---|
| длина | 2650 мм |
| ширина | 1490 мм |
| высота | 220 мм |
| масса | 1150 кг |
| нормативный документ | Серия 1.041.1-2 |
ПРС 26.15 Плиты ребристые сантехнические Серия 1.041.1-2.
