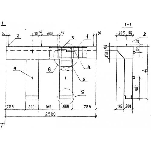
ЛР 12

Чертеж изделия:
Характеристики изделия:
ПараметрЗначение
длина2580 мм
ширина1160 мм
высота375 мм
вес850  кг
серия1.050.1-3

ЛР 12 лестничные рамы по серии 1.050.1-3.