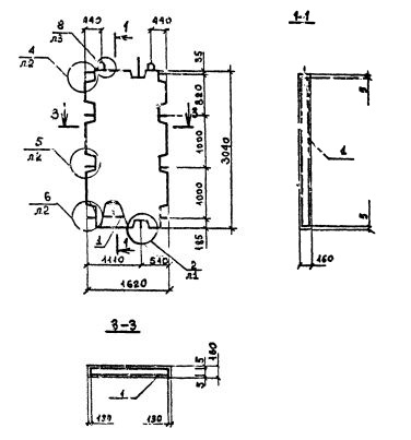
ПВ 16.30-1Т-С
Характеристики изделия:
| Параметр | Значение |
|---|---|
| длина | 1620 мм |
| ширина | 160 мм |
| высота | 3040 мм |
| масса | 1820 кг |
| нормативный документ | Серия 1.090.1-2с |
Цена:
Рассчитать стоимостьПВ 16.30-1Т-С Панели внутренние без проемов (Серия 1.090.1-2с).
1Т - бетон тяжелый марки М150.
С - для сейсмических районов.