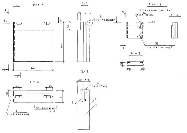
СБ 7,1-15.15.55-Т-1
Характеристики изделия:
| Параметр | Значение |
|---|---|
| длина | 1480 мм |
| ширина | 550 мм |
| высота | 1480 мм |
| масса | 2717 кг |
| нормативный документ | Серия 1.116.1-7 |
Цена:
Рассчитать стоимостьЦокольные блоки толщиной 35, 45, 55 см (Серия 1.116.1-7).
СБ 7,1-15.15.55-Т-1
СБ - тип блока - стеновые блоки.
7 - цокольный блок.
1 (цифра после запятой) обозначение положения блока в плане: 1- рядовой, 2, 3-угловой, 5 - блок лоджий.
Группа цифр, разделенных точками, обозначает габариты изделия в дециметрах с округлением (длина, высота, толщина).
Т - тяжелый бетон.
Последний цифровой индекс указывает на дополнительные признаки (конфигурация торцов, вид проема, наличие отверстий для беспетлевого монтажа блоков): 1- симетричный, 2- несимметричный левый, 3 - несимметричный правый, наличие оконного (1) или дверного проема (2), беспетлевой вариант (5).
