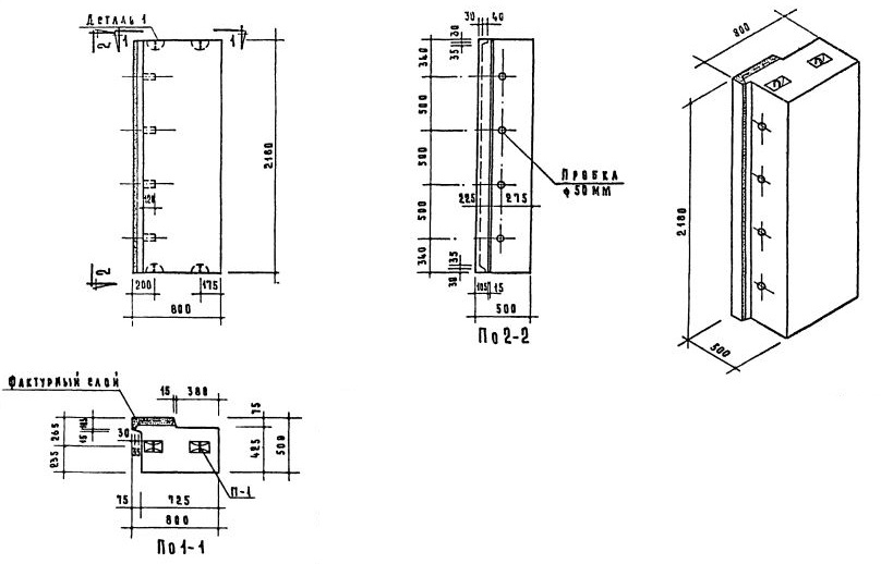
НБУ-7.22.5-1

Чертеж изделия:
Характеристики изделия:
ПараметрЗначение
Длина800 мм
Ширина500 мм
Высота2180 мм
Масса1453 кг
Нормативный документСерия 1.133-1

Стеновые легкобетонные блоки толщиной 50 см по Серии 1.133-1.

НБУ-7.22.5-1  Простеночный блок угловой.