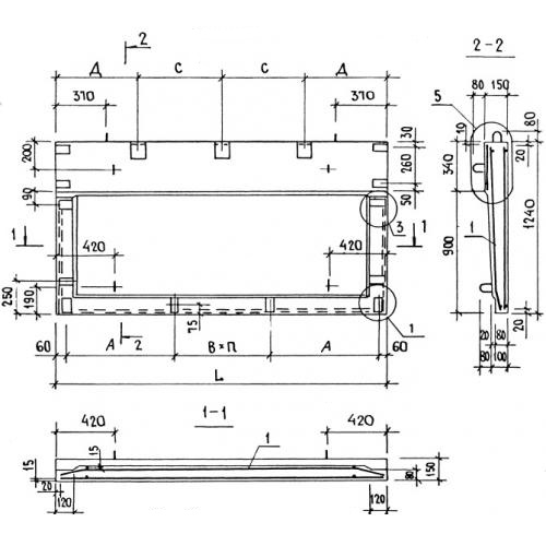
ПБ 24-5

Чертеж изделия:
Характеристики изделия:
ПараметрЗначение
длина2390 мм
ширина1240 мм
высота150 мм
масса863 кг
нормативный документСерия 1.137-3

ПБ 24-5  Плиты балконные Серия 1.137-3.