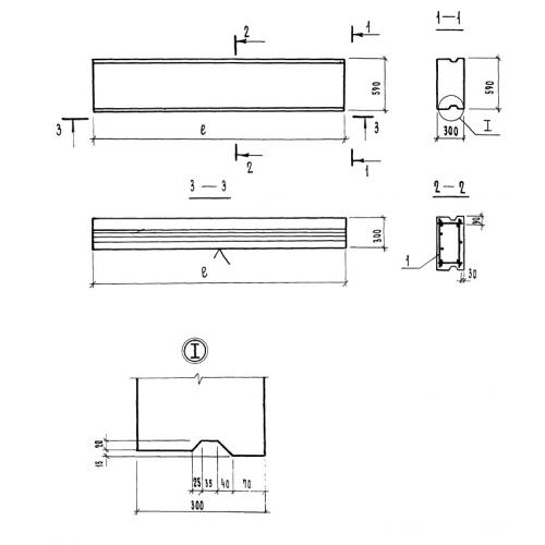
П 24.6.30

Чертеж изделия:
Характеристики изделия:
ПараметрЗначение
длина2370 мм
ширина590 мм
высота300 мм
вес300 кг
серия1.165.1-10

П 24.6.30 Панели покрытия по серии 1.165.1-10.