ШЛН 12-40

Чертеж изделия:
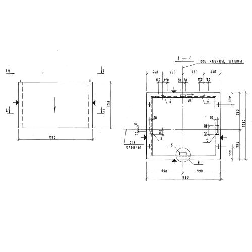
Характеристики изделия:
ПараметрЗначение
длина1780 мм
ширина1980 мм
высота1210 мм
вес2250 кг
серия1.189.1-8

ШЛН 12-40 Блоки лифтовой шахты нижние по серии 1.189.1-8.