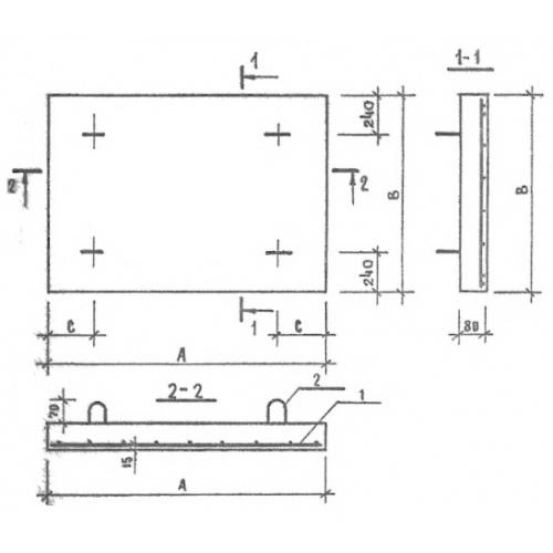
ПТ 13.13 плиты плоские железобетонные
Характеристики изделия:
| Параметр | Значение |
|---|---|
| длина | 1300 мм |
| ширина | 1300 мм |
| высота | 80 мм |
| масса | 338 кг |
| нормативный документ | Серия 1.243.1-4 |
Цена:
Рассчитать стоимостьПТ 13.13 Плиты плоские железобетонные Серия 1.243.1-4.
