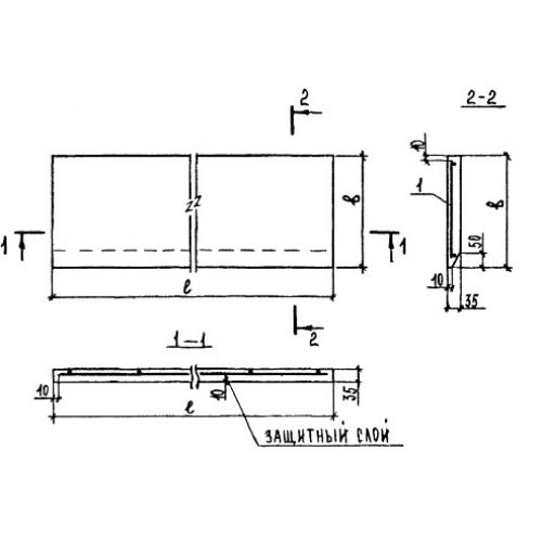
1ЛН 14.3 Накладные проступи

Чертеж изделия:
Характеристики изделия:
ПараметрЗначение
длина1350 мм
ширина325 мм
высота35 мм
масса38 кг
нормативный документСерия 1.251.1-4

1ЛН 14.3    Накладные проступи для укладки на нижние и рядовые ступени маршей Серия 1.251.1-4.