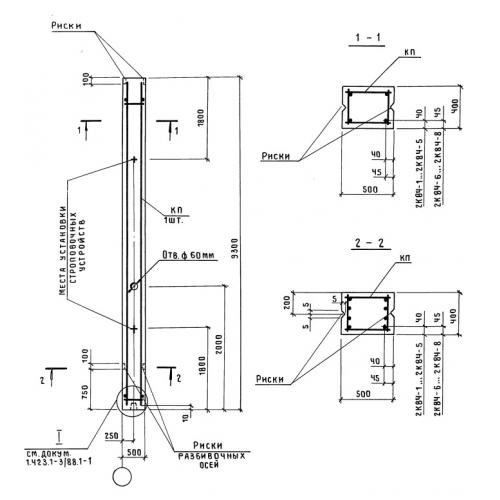
К 84 колонны
Характеристики изделия:
| Параметр | Значение |
|---|---|
| длина | 9300 мм |
| ширина | 400 мм |
| высота | 500 мм |
| масса | 4700 кг |
| нормативный документ | Серия 1.423-3 |
Цена:
Рассчитать стоимостьК 84 Колонны Серия 1.423-3.
| Параметр | Значение |
|---|---|
| длина | 9300 мм |
| ширина | 400 мм |
| высота | 500 мм |
| масса | 4700 кг |
| нормативный документ | Серия 1.423-3 |
К 84 Колонны Серия 1.423-3.
