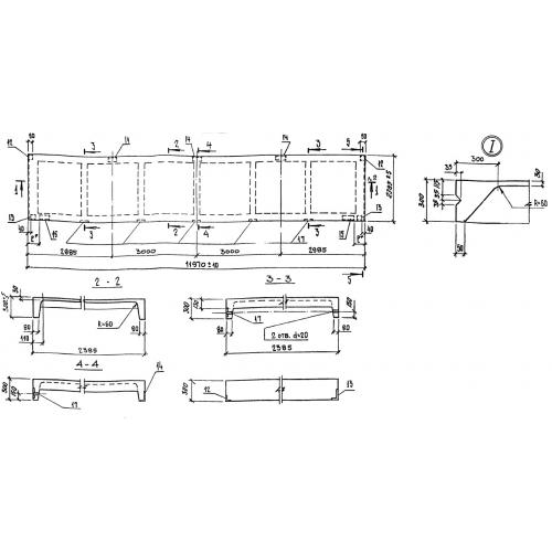
ПС 120.24

Чертеж изделия:
Характеристики изделия:
ПараметрЗначение
длина11970 мм
ширина300 мм
высота2385 мм
вес4500 кг
серия1.432.1-20

ПС 120.24 Панели стеновые по серии 1.432.1-20.