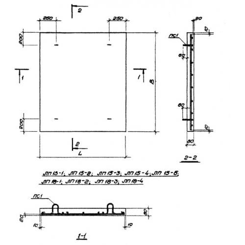
ЛП 15-1 лестничные площадки
Характеристики изделия:
| Параметр | Значение |
|---|---|
| длина | 1340 мм |
| ширина | 1540 мм |
| высота | 80 мм |
| масса | 410 кг |
| нормативный документ | Серия 1.450-1 |
Цена:
Рассчитать стоимостьЛП 15-1 Площадки для междуэтажных лестничных маршей Серия 1.450-1.
