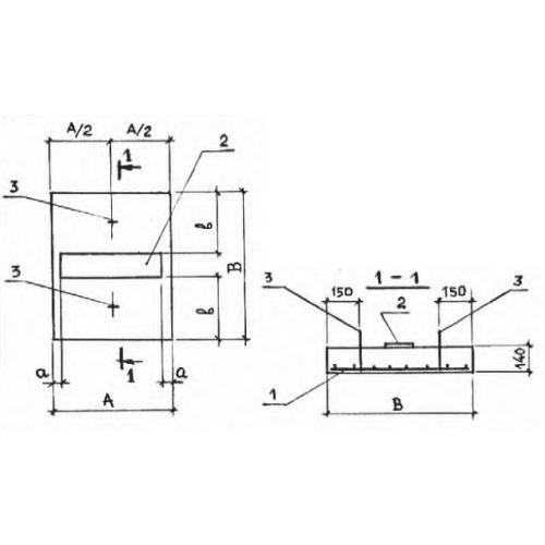
ОП 4

Чертеж изделия:
Характеристики изделия:
ПараметрЗначение
длина500 мм
ширина500 мм
высота140 мм
вес90 кг
серия3.006-2

ОП 4 Опорные подушки по серии 3.006-2.