П 15 д
Характеристики изделия:
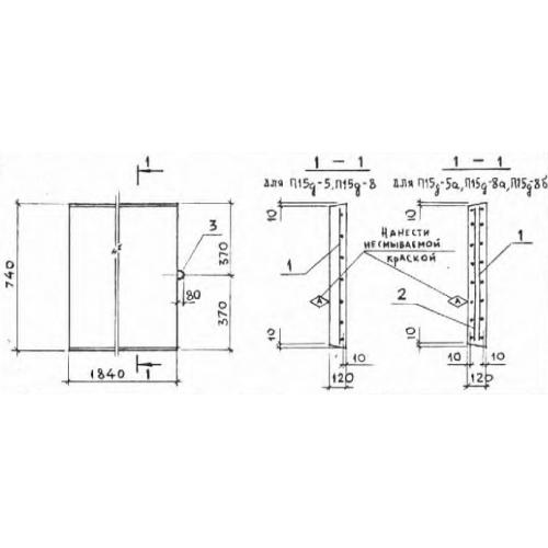
| Параметр | Значение |
|---|---|
| длина | 740 мм |
| ширина | 1840 мм |
| высота | 120 мм |
| масса | 410 кг |
| нормативный документ | Серия 3.006.1-2/82 |
Цена:
Рассчитать стоимостьП 15 д Плиты перекрытия лотков доборные Серия 3.006.1-2/82.
| Параметр | Значение |
|---|---|
| длина | 740 мм |
| ширина | 1840 мм |
| высота | 120 мм |
| масса | 410 кг |
| нормативный документ | Серия 3.006.1-2/82 |
П 15 д Плиты перекрытия лотков доборные Серия 3.006.1-2/82.
