П 28

Чертеж изделия:
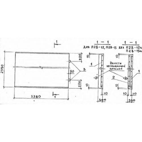
Характеристики изделия:
ПараметрЗначение
длина2990 мм
ширина3380 мм
высота300 мм
масса300 мм
нормативный документСерия 3.006.1-2/82

П 28  Плиты перекрытия лотков Серия 3.006.1-2/82.