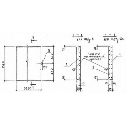
П 27 д плиты лотков

Чертеж изделия:
Характеристики изделия:
ПараметрЗначение
длина740 мм
ширина3380 мм
высота250 мм
масса1560 кг
нормативный документСерия 3.006.1-2/87

П 27д Плиты перекрытия лотков доборные Серия 3.006.1-2/87.