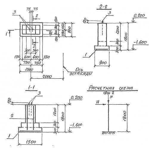
Фм 2
Характеристики изделия:
| Параметр | Значение |
|---|---|
| длина | 1500 мм |
| ширина | 900 мм |
| высота | 1800 мм |
| масса | 2750 кг |
| нормативный документ | Серия 3.016.2-12 |
Цена:
Рассчитать стоимостьФм 2 Фундаменты монолитные Серия 3.016.2-12.
| Параметр | Значение |
|---|---|
| длина | 1500 мм |
| ширина | 900 мм |
| высота | 1800 мм |
| масса | 2750 кг |
| нормативный документ | Серия 3.016.2-12 |
Фм 2 Фундаменты монолитные Серия 3.016.2-12.
