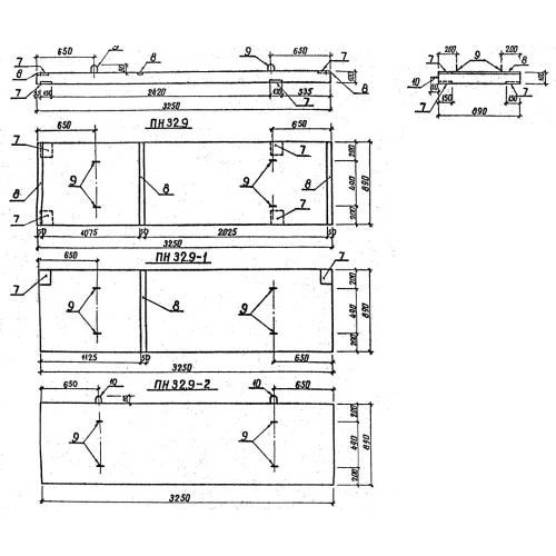
ПН-2 плита для маслосборников и огнезащитной стенки
Характеристики изделия:
| Параметр | Значение |
|---|---|
| длина | 3250 мм |
| ширина | 890 мм |
| высота | 100 мм |
| масса | 725 кг |
| нормативный документ | Серия 3.407-102 |
Цена:
Рассчитать стоимостьПН-2 Плита для крунов Серия 3.407-102.
