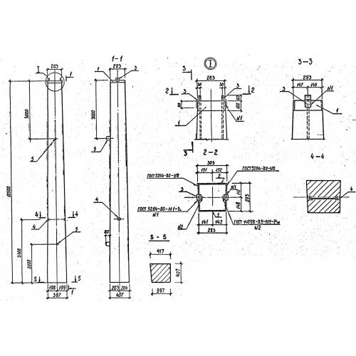
ВС 105-167 Стойки конические прямоугольного сечения
Характеристики изделия:
| Параметр | Значение |
|---|---|
| длина | 10500 мм |
| ширина | 417 мм |
| высота | 407 мм |
| масса | 3250 кг |
| нормативный документ | Серия 3.407.1-157 |
Цена:
Рассчитать стоимостьВС 105-167 Вибропресованные стойки по Серии 3.407.1-157.
