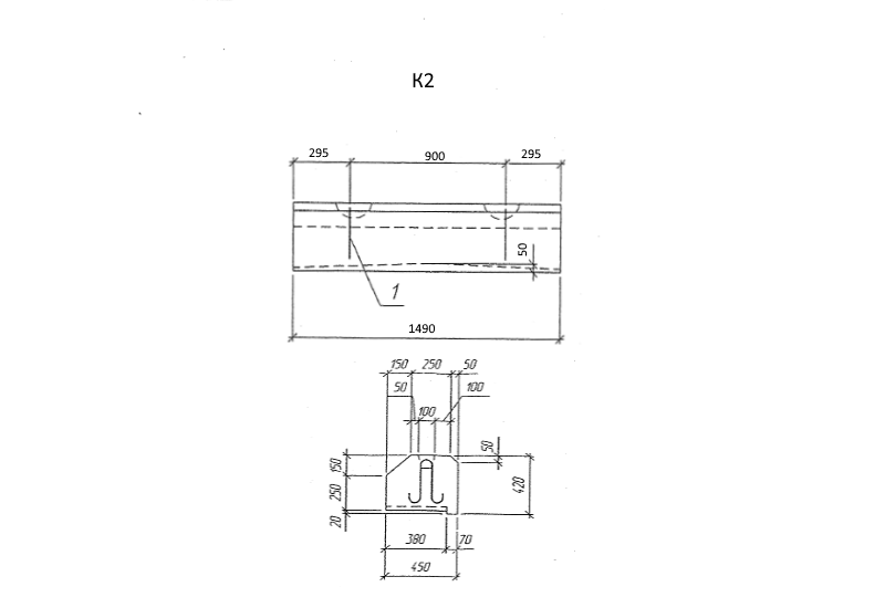
К 2

Чертеж изделия:
Характеристики изделия:
ПараметрЗначение
длина1490 мм
ширина450 мм
высота420 мм
вес600 кг
серия3.501-104

К 2   Кордонные блоки по серии 3.501-104.