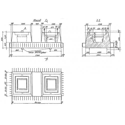
Чертеж изделия:
Характеристики изделия:
ПараметрЗначение
длина4000 мм
ширина2340 мм
высота1150 мм
вес12800 кг
серия3.501.1-150

1Ф Фундаментные стаканы по серии 3.501.1-150.