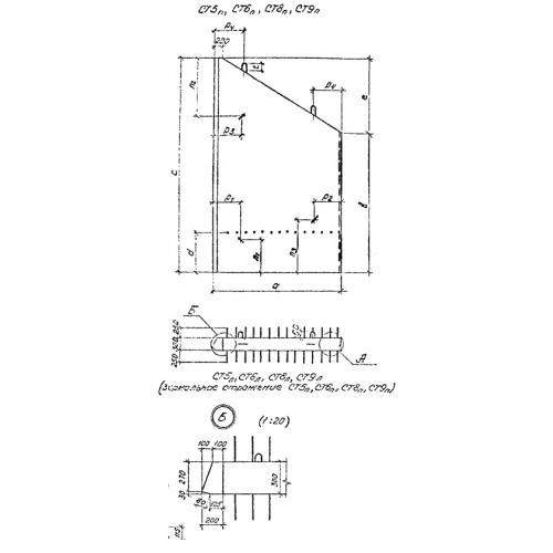
СТ 9 стенка

Чертеж изделия:
Характеристики изделия:
ПараметрЗначение
длина3000 мм
ширина5050 мм
высота300 мм
масса9300 кг
нормативный документСерия 3.501.1-179.94

СТ 9 Откосные стенки по Серии 3.501.1-179.94.