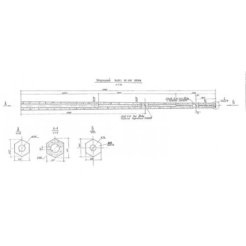
СВ 100

Чертеж изделия:
Характеристики изделия:
ПараметрЗначение
длина10000 мм
ширина320 мм
высота370 мм
вес1600 кг
серия3.507 КЛ-10

СВ 110 Стойки вибрированные по серии 3.507 КЛ-10.