КЦД 15
Характеристики изделия:
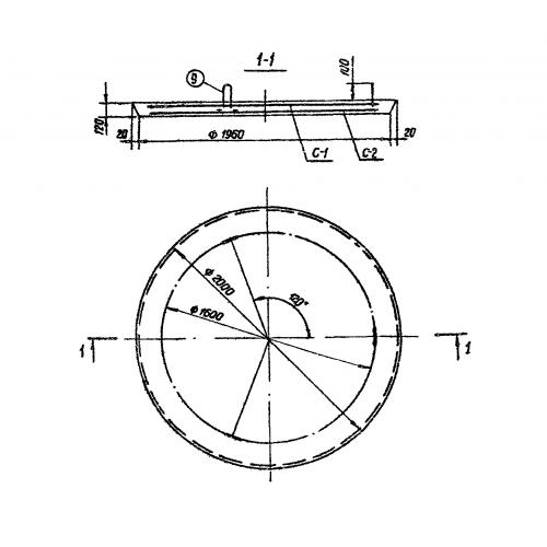
| Параметр | Значение |
|---|---|
| длина | 2000 мм |
| ширина | 2000 мм |
| высота | 120 мм |
| вес | 925 кг |
| серия | 3.820-9 |
Цена:
Рассчитать стоимостьКЦД 15 Плиты днища колодцев по серии 3.820-9.
| Параметр | Значение |
|---|---|
| длина | 2000 мм |
| ширина | 2000 мм |
| высота | 120 мм |
| вес | 925 кг |
| серия | 3.820-9 |
КЦД 15 Плиты днища колодцев по серии 3.820-9.
