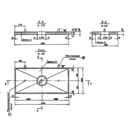
ПУ 2.5-6.0
Характеристики изделия:
| Параметр | Значение |
|---|---|
| длина | 2100 мм |
| ширина | 1000 мм |
| высота | 100 мм |
| вес | 500 кг |
| серия | 3.820-9 |
Цена:
Рассчитать стоимостьПУ 2.5-6.0 Плиты упорные по серии 3.820-9.
| Параметр | Значение |
|---|---|
| длина | 2100 мм |
| ширина | 1000 мм |
| высота | 100 мм |
| вес | 500 кг |
| серия | 3.820-9 |
ПУ 2.5-6.0 Плиты упорные по серии 3.820-9.
