КН-0

Чертеж изделия:
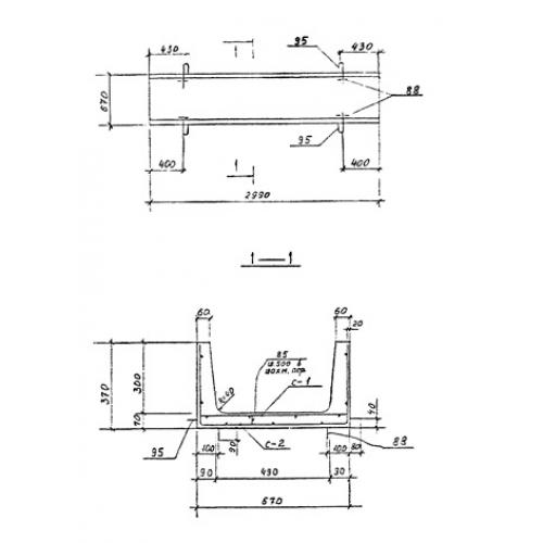
Характеристики изделия:
ПараметрЗначение
длина2990 мм
ширина670 мм
высота370 мм
масса700 кг
нормативный документСерия 3.903 КЛ-14

КН-0  Каналы непроходные по Серии 3.903 КЛ-14.