КН-1

Чертеж изделия:
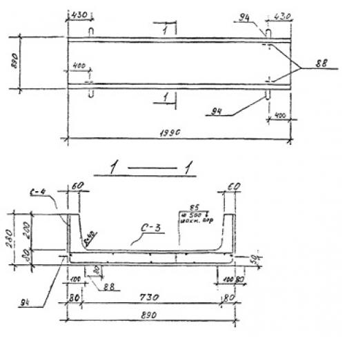
Характеристики изделия:
ПараметрЗначение
длина1990 мм
ширина890 мм
высота280 мм
масса500 кг
нормативный документСерия 3.903 КЛ-14

КН-1  Каналы непроходные по Серии 3.903 КЛ-14.