КН-3
Характеристики изделия:
| Параметр | Значение |
|---|---|
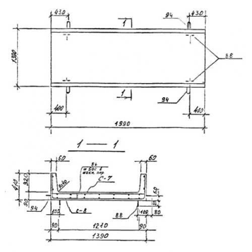
| длина | 1990 мм |
| ширина | 1390 мм |
| высота | 410 мм |
| масса | 900 кг |
| нормативный документ | Серия 3.903 КЛ-14 |
Цена:
Рассчитать стоимостьКН-3 Каналы непроходные по Серии 3.903 КЛ-14.
| Параметр | Значение |
|---|---|
| длина | 1990 мм |
| ширина | 1390 мм |
| высота | 410 мм |
| масса | 900 кг |
| нормативный документ | Серия 3.903 КЛ-14 |
КН-3 Каналы непроходные по Серии 3.903 КЛ-14.
