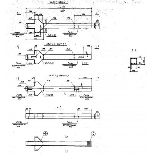
ИК 51 колонны этажерок

Чертеж изделия:
Характеристики изделия:
ПараметрЗначение
длина5370 мм
ширина400 мм
высота400 мм
масса2500 кг
нормативный документСерия ИИЭ 22-1/73

ИК 51 Колонны по Серии ИИЭ 22-1/73.