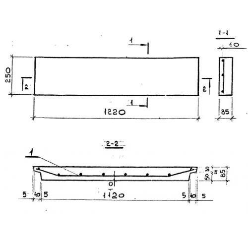
В-4

Чертеж изделия:
Характеристики изделия:
ПараметрЗначение
длина750 мм
ширина495 мм
высота60 мм
вес55 кг
серияТС 01-01

В 4 Плиты перекрытия для непроходных каналов по серии ТС 01-01.