КЦД 10

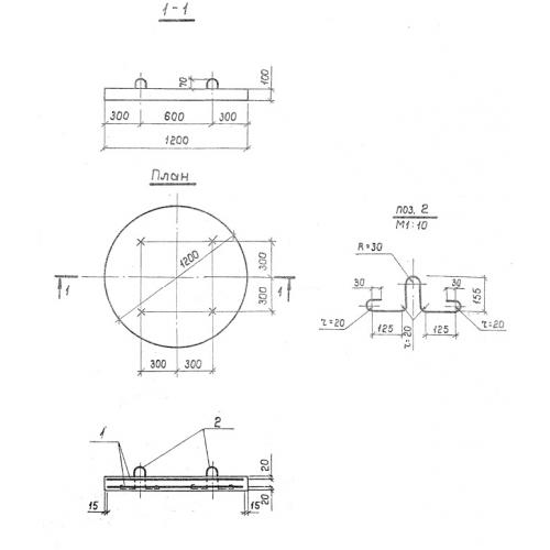
Чертеж изделия:
Характеристики изделия:
ПараметрЗначение
длина1200 мм
ширина1200 мм
высота100 мм
масса275 кг
нормативный документТП 902-09-46.88.

КЦД 10 Плиты днищ  колодцев по Типовому проекту ТП 902-09-46.88.